电话:88888888(彭)
电话:88888888(明)
电话:88888888(王)
邮箱:88888888
地址:
信息来源:https:/// 作者:襄阳发动机维修 发布时间:2025-04-24 11:04
鹰牌防爆产业联盟面向Floating Production Storage and Offloading(FPSO)浮式生产储卸油船开发了
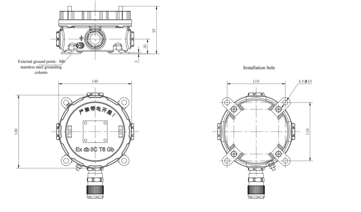
防爆姿态仪,爆姿态仪利用业界的 MEMS 角速度和加速度传感器来测量海面上船舶的纵摇、横摇角和升沉高度。

功能特点:
●24VDC直流供电
● 外壳采用316L不锈钢
● 姿态分辨率<0.01°
技术参数:
■ 认证
防爆标志:Ex db IIC T6 Gb
环境温度:-40℃~+60℃
物理特性
材质:316L 不锈钢
安装件材质:316L 不锈钢
防护等级:IP66
连接器/堵头:M20x1.5,2、M25x1.5
重量:≤6kg
电气特性
供电:24Vdc
额定电压:5W
通信:RS422
上电到数据稳定的时间:120S

